皓富电子科技有限公司,专业设计、开发及销售各种电子开关及插座。座落于中国广东省东莞市的厂房。在完善的公司架构底下,高效能的管理层带领着经验丰富的技术人员和熟练的生产员工,多年来为电器及电子工业提供高质量的开关及插座,并建立了良好的声誉。 目前自主开发、生产的产品有:MINI拨动开关、轻触开关、按键开关、音视频耳机插座、DC电源插座、电池连接器插座及其他连接器。并具备高精密模具设计、研发、制造能力,承接客户模具制造订单。 公司现已通过ISO9OO1:2000质量管理体系,为适应海外市场的需求,所有产品均已符合欧盟WEEE/ROHS绿色环保指令要求。 为了达到顾客的各方面要求,我们不断地装备自己工模部设有电脑加工中心、线切割机、火花机、车床、磨床、钻床......等等设备。齐全的设备使模具开发及维修更快更准确。生产部设有多类型注塑机、各种高速五金冲压机、防尘生产线、自动包装机......等等设备。能生产各类型塑胶及五金配件,足以供应每日大量生产使用。 
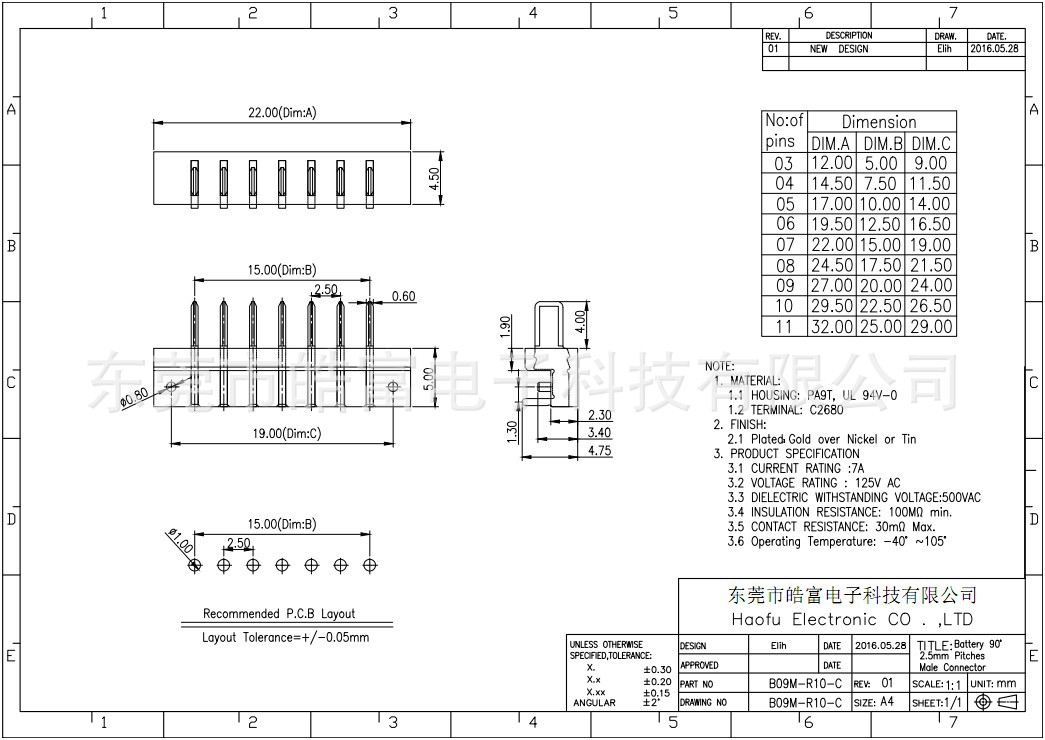
名称: 电池连接器(BATTERY CONNECTOR)
品牌:HOFCONN(皓富)
型号:B09M-6P-R10-C
规格:2.5mm Pitch male 6Pin BATTERY CONNECTOR
2.5间距8P电池连接器公座
镀金:"1U""2U",量大可加持镀金"3U""4U""5U"...
针数:6PIN
包装:吸塑盘装
起定量(MOQ):1K(1 000PCS)、3K(3 000PCS)...
材料组成:黄铜镀金"2U"、Nylon 9T(UL94V-0)
生产周期(Date Of Delivery):当天现货、3-7天、7-12天..
付款方式:货到付款、预付部分\全额、月结..

电池连接器
一、连接器触点的稳定,可靠
二、小型化, 新电池界面, 低接触阻抗和高连接可靠性
三、电路的电流和电压稳定
四、温度要求在规定的范围之内,包括周围的温度和自身的温升
五、提供良好的电磁屏蔽,
六、电池连接器可分为弹片式和闸刀式
七、低高度, 小pitch,多功能,标准化和定制化并存。
八、耐热性-40~120℃

手机、笔记本电脑、安防设备、3C数码、音响设备、医疗设备、家用设备、测量仪器、对讲机、PS刷卡机、玩具电池连接器等....

我们可以配合各企业客户的需求,为客户研发各类电子开关,插座,连接器。并在历年的开发过程中积累了宝贵的经验。近年来,公司不断改进生产工艺,增加配套设备,以满足客户的最终要求。 公司的发展宗旨是:“制造精品、创立品牌”。 客户满意永远是我们追求的目标 质量方针及质量目标 1. 质量方针:全员参与、质量第一、客户满意、共享双赢 ; 2. 质量目标:追求零缺陷 













东莞市皓富电子科技有限公司 联系人:李闽峰(业务部 ) 移动电话:13480468697 QQ:2170301958 电话:0769-83519287 邮箱:sales@hofconn.com 地址:中国 广东省东莞市黄江镇东江路富汇创园D栋 公司主页:
www.hofconn.com