×
搜索
搜索
网站导航
首 页
关于皓富
产品中心
解决方案
联系皓富
企业形象
荣誉证书
合作伙伴
新闻中心
您的位置:
首页
→
产品中心
→
USB TYPE C插座
→
USB连接器
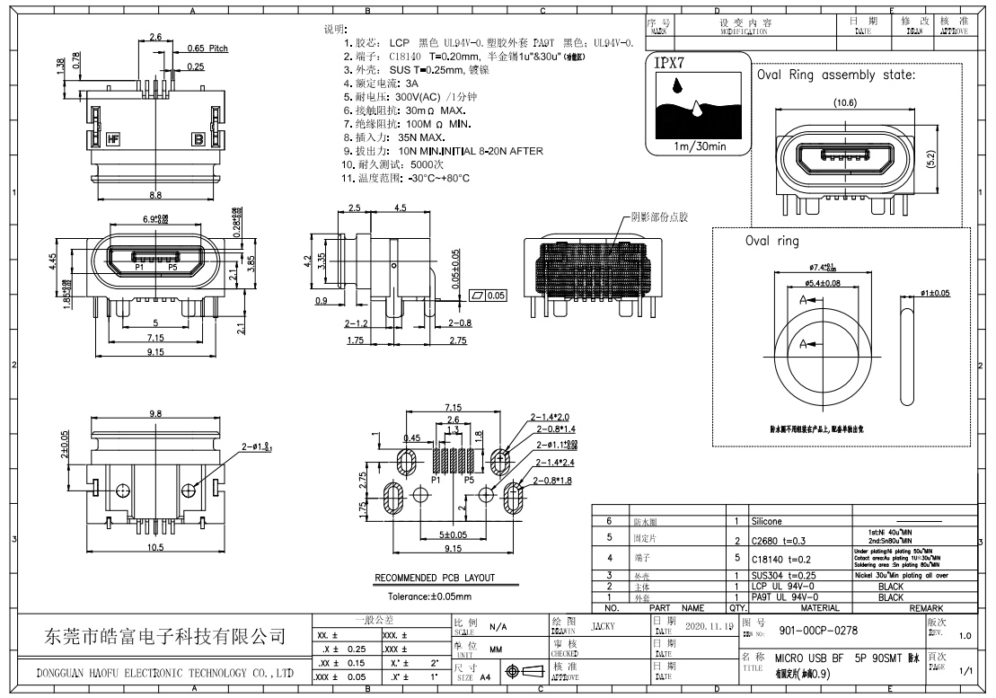
USB BF 5P 90SMT
上一个:弹片电池连接器BC1PH57-18D
下一个:DC-515-200-182-002-Model
详情介绍
版权所有© 东莞市皓富电子科技有限公司