×
搜索
搜索
网站导航
首 页
关于皓富
产品中心
解决方案
联系皓富
企业形象
荣誉证书
合作伙伴
新闻中心
您的位置:
首页
→
产品中心
→
检测开关
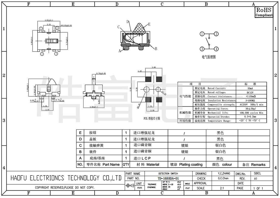
TD-1668DA-01
上一个:TD-1656SN-01 常闭
下一个:HC-V-206K
详情介绍
版权所有© 东莞市皓富电子科技有限公司